return to main page

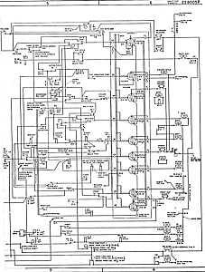
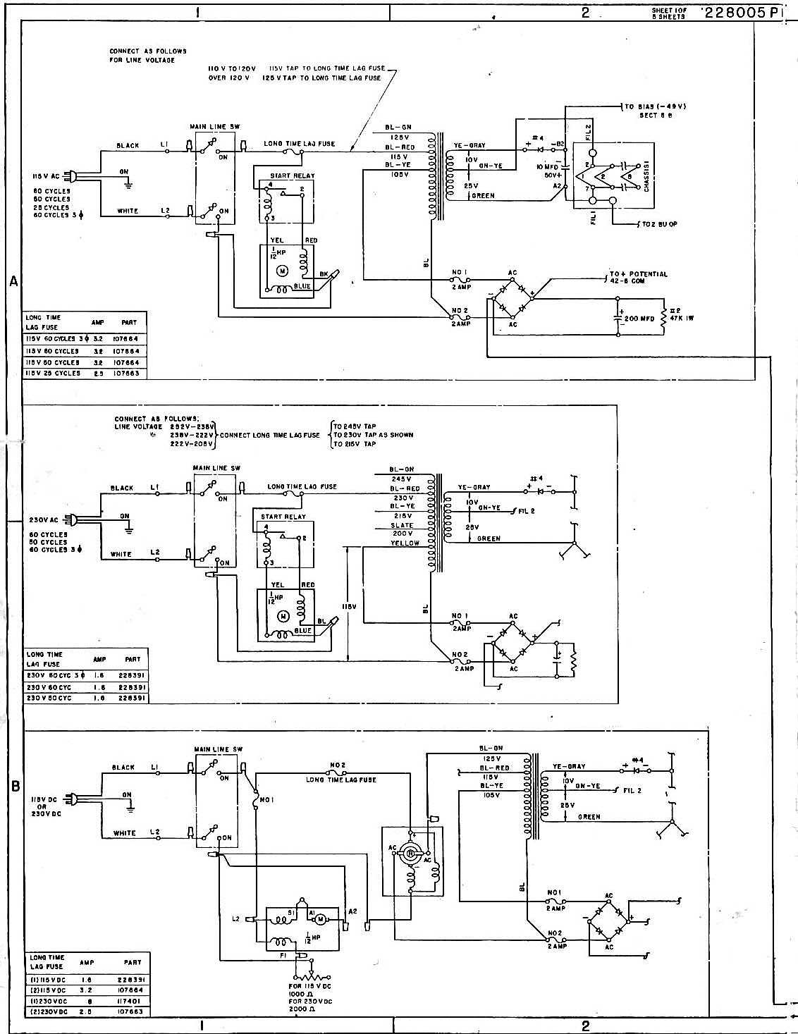
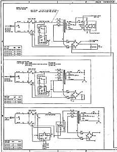
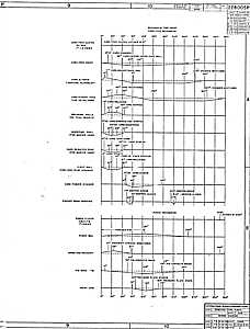
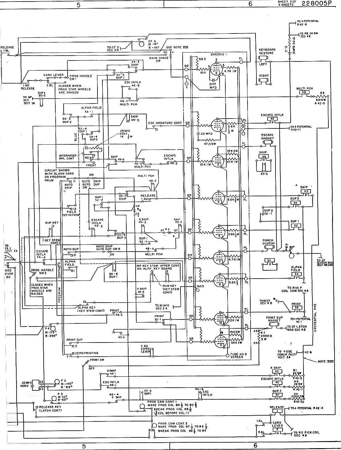
IBM 026 Wiring (and timing) 228005P


This page contains schematics and timing diagrams for the IBM 026 Key Punch

Early effort, stitched Schematic as PDF - 722 KB


- and IBM-026-Wiring-228005P scanned by Stan Paddock
- - as PDF - 1.4 MB

Also as individual images

Page 1

Page 2

Page 3

Page 4

Page 5

Page 6

Page 7


return to main page